Měna: CZK
Katalog
Technická podpora
tel. +420 596 111 446
Nabízíme splátkový prodej

Facebook

KAVAN Brushless Motor PRO 2809-1620

Kód: KAV30.2005
Značka: KAVAN
Dostupnost:
NENÍ SKLADEMProdejna Ostrava
SKLADEM Externí sklad
Zboží expedujeme do 1-2 dnů
619 Kč
512 Kč bez DPH
PopisFotogalerieKe staženíDoporučené příslušenstvíNáhradní díly
Střídavý elektromotor s rotačním pláštěm pro modely letadel: větroň 250g, trenér 220g, akro 180g, 3D 130g, KV1620 ot./min na V, napájení Lixx 2-3s. Hřídel 3,0mm/gumičkový unašeč 5,5mm. Alternativní označení podle rozměrů statoru: 2202-1620.

Motory KAVAN PRO jsou vysokovýkonné bezkomutátorové (střídavé, "brushless") čtrnáctipólové elektromotory s rotačním pláštěm ("outrunner") s vynikajícími elektrickými vlastnostmi, propracovanou konstrukcí a špičkovým výrobním zpracováním. Hřídele z tvrzené oceli a kvalitní ložiska zajišťují vysokou životnost, jakostní materiály použité pro zhotovení statoru i rotoru zaručují rovněž výborné výkonové parametry při vysoké účinnosti. Jsou to nízkootáčkové motory s velkým kroutícím momentem zvládající vrtule o velkém průměru i stoupání bez potřeby převodovky.

Systém označování motorů: PRO xxYY-zzzz
PRO - střídavý motor s rotačním pláštěm ("outrunner", "oběžka")
xx - průměr motoru v mm
YY - délka motoru v mm
zzzz - počet otáček na volt (ot./min na V), „KV“

KAVAN PRO 2809-1620

KAVAN PRO 2809-1620 je miniaturní střídavý motor učený pro pohon malých modelů s letovou hmotností do 220 g s napájením z dvoučlánkového nebo tříčlánkového akumulátoru LiPo. S jeho pomocí můžete úspěšně "elektrifikovat" např. gumáčky ze stavebnic Guillow's nebo Dumas s rozpětím do cca 1000 mm, výborný je i pro park-flyery.

Montáž motoru: KAVAN PRO 2809-1620 je konstruován pro zadní montáž s vrtulí upevněnou pomocí gumičkového unašeče (Ø5,5 mm). Při montáži použijte nejméně dva (protilehlé), nebo čtyři šrouby M2. Motorová přepážka by měla být z 1-1,5 mm letecké překližky. Upevňovací kříž je součástí motoru.

Sada motoru obsahuje: motor KAVAN PRO 2809-1620 s kabely (bez konektorů), příslušenství gumičkového unašeče. Úplný návod k obsluze motoru si můžete stáhnout zde: Střídavé motory KAVAN PRO - Návod k obsluze

Pozn.: Alternativní označení dle rozměrů statoru 2202-1620.

Napájení LiXX článků2 - 3
Otáčky na volt [ot./min/V]1620
Max. výkon (180 s) [W]54
Vnitřní odpor [mOhm]387
Proud naprázdno (při 10 V) [mA]280
Max. špičkový proud (180 s) [A]9
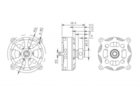
Průměr [mm]28
Délka [mm]8.9
Délka celková [mm]18.4
Průměr hřídele [mm]3
Hmotnost [g]15
Počet pólů14
Časování [°]20 - 25
Regulátor [A] 15 - 20
Větroň do hmotnosti [g]250
Trenér do hmotnosti [g]220
Akrobat do hmotnosti [g]180
3D do hmotnosti [g]130
 
Doporučená vrtule2S: 9x5"-10x6"
3S: 8x4"

Střídavé motory KAVAN PRO - Návod k obsluzehttps://www.pelikandaniel.com/dld/KAVAN_PRO_brushless_motors_4L.pdf
479 Kč
Prodejna Ostrava: NENÍ SKLADEM
Externí sklad: NENÍ SKLADEM
 
Programovatelný střídavý regulátor pro modely letadel. Trvalý proud 20A (špičkový 30A), napájení 2-4 LiPo článků, spínaný BEC 5,2V/2,5A, hmotnost 13g, rozměry 25x15x5mm.
69 Kč
Prodejna Ostrava: NENÍ SKLADEM
Externí sklad: NENÍ SKLADEM
 

Ověřeno našimi zákazníky

Níže si můžete přečíst výběr z recenzí našich zákazníků.

„Výborný sortiment
Přehledný e-shop
Moc fajn ceny“

Heureka logo

Ověřený zákazník

★★★★★

„Stare zkušenosti“

Heureka logo

Ověřený zákazník

★★★★★

„Spokojenost a můžu jen doporučit....“

Heureka logo

Ověřený zákazník

★★★★★

„Rychlé dodání a vše perfektně zabaleno“

Heureka logo

Ověřený zákazník

★★★★★

„Kvalita za rozumnou cenu, vše OK“

Heureka logo

Ověřený zákazník

★★★★★

„Velká spokojenost, rychlá komunikace“

Heureka logo

Ověřený zákazník

★★★★★